Summary
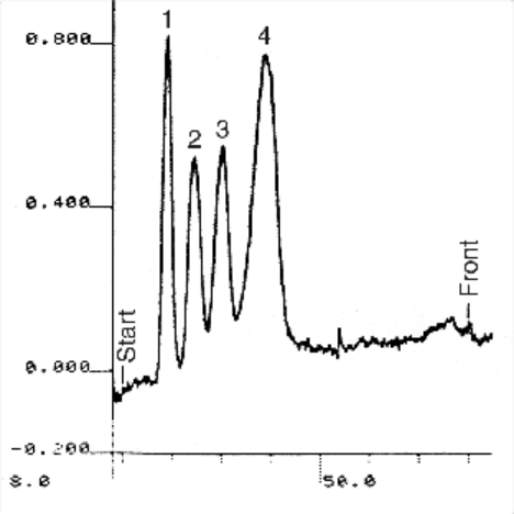
Type: TLC
Application #: 401890
Catalog#: 2733126 - C18-W Silica TLC Plates, w/UV254, aluminum backed, 150um, 20x20cm 25/pk
Detection: Shimadzu TLC scanner CS 930, UV, 254 nm
Conditions: Eluent: acetonitrile / water / ethyl acetate (40:60:0.2, v/v/v)
Migration distance: 7 cm
Running time: 20 min.
Sample volume: 500 nl
Authors: TLC department
Source: TLC department
Details

Legend: Pentachlorophenol (0.2 %)
2,4,6-Trichlorophenol (1.0 %)
2,4-Dichlorophenol (1.0 %)
2-Chlorophenol (3.0 %)